El cuidado del cuidador del paciente de Alzheimer: una tarea urgente
Las personas con Alzheimer necesitan de cuidados permanentes que [...]
Todo lo que debe saber de la autorización del uso industrial del cannabis en Colombia
El Gobierno Nacional, por medio de la Resolución 227 [...]
Día Mundial contra el Cáncer 2022: ¿cuáles son los tipos de cáncer más comunes y cuáles son los más mortales?
Es una de las causas principales de muerte en [...]
¡Los nervios sí existen! Estos son los síntomas y la manera de controlarlos
Los nervios no necesariamente son negativos, pues en algunas [...]
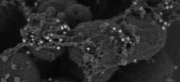
Una proteína presente en la encía podría ayudar a prevenir el alzhéimer
Además de desempeñar un papel importante en la enfermedad [...]
Investigadores señalan que el cannabis medicinal es “efectivo para aliviar el dolor ginecológico”
Una revisión señala que los productos de cannabis medicinal [...]



















